
添加微信幫助解決機器人故障
首頁 > 焊機維修 > 林肯焊機維修 > 
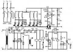
林肯焊機DC1500的故障診斷 1 電路結構特點及基本原理 林肯焊機DC1500按其功能可分為主電路、操作電路、控制調節系統和保護電路四大部分。 1.1 主電路及操作電路 主電路采用帶平衡電抗器的雙反星形可控硅整流電路,比起三相半波整流和三相橋式整流具有以下特點 ... [全文]

焊機維修,最近有少量的POWERPLUS二代機器在現場出現軟件故障問題,目前為止出現的現象有其二: 1.按下焊槍開關,送絲輪只動作一下,然后就停止送絲了。按下冷送絲按鈕也一樣。大概兩分鐘后電流電壓表也不顯示任何錯誤信息。 2.按下焊槍開關,在送絲的情況下 ... [全文]

1、林肯焊機AC-1200焊接電源主回路 1.1、結構特點 AC-1200林肯焊機主電路如圖1所示。采用串聯磁飽和電抗器式分體弧焊變壓器結構。弧焊變壓器初級繞組有六個抽頭,通常情況下,焊機由單相交流380V從H1、H4供電,其它抽頭用于多絲焊的斯科特接法(Scott Connec ... [全文]

林肯焊機DC-1500的故障診斷 1、電路結構特點及基本原理林肯焊機DC-1500按其功能可分為主電路、操作電路、控制調節系統和保護電路四大部分。 1.1、主電路及操作電路主電路采用帶平衡電抗器的雙反星形可控硅整流電路,比起三相半波整流和三相橋式整流具有以下 ... [全文]
林肯焊機故障1:一臺按控制箱任何開關都沒反應,不能焊接。 按任何開關都沒有反應的機器檢查故障點在電源板上。電源板上-10V電壓沒有輸出,由于該機器所有開關的信號都需要-10V的電源,電源板上無- 10V電源輸出,那么所有板上都無-10V電源,所以按任何開關都 ... [全文]

林肯焊機POWERPLUSⅡ焊接系統的維護 林肯焊機維修 為了充分發揮機器的性能,必須經常性的實施定期保養和維護。 每日檢項目: 供電電源:連接可靠、網壓正常穩定 導電嘴:無磨損、燒損現象 焊槍:無死彎、無破損、連接可靠 焊絲:無油污、無死彎、直徑均勻 電 ... [全文]

林肯焊機維修 或保養操作是不要將你的手放在運轉的送絲機齒輪旁邊。對有火花敏感的場合,操作時必須另外申請一塊專用的焊接場所。 只有通過安全認證,焊機才可用于高壓電場合。 有特殊安全要求的設備,其焊接工作必須由受過專業培訓的焊工來完成。 當由起重 ... [全文]

林肯焊機維修 常見的故障: 1.按下焊槍開關,送絲輪只動作一下,然后就停止送絲了。按下冷送絲按鈕也一樣。大概兩分鐘后電流電壓也不顯示任何錯誤信息。 2.按下焊槍開關,在送絲的情況下,送絲輪不轉動。若松開送絲機上的壓力臂,送絲輪能夠很慢的空轉,調節 ... [全文]

林肯焊機維修 常見的故障 故障1:一臺按控制箱任何開關都沒反應,不能焊接。 按任何開關都沒有反應的機器檢查故障點在電源板上。電源板上-10V電壓沒有輸出,由 于該機器所有開關的信號都需要-10V的電源,電源板上無-10V電源輸出,那么所有板上都無-10V電源, ... [全文]

林肯焊機由于生產效率高、風阻較小散熱效果較好等優點占據了電焊機的大部分。令焊機大多都處在比較差的環境下工作,如潮濕、灰塵、室外、頻察移動等。林肯焊機在使用過程中出現一些故障是在所難免的。產生故障的原因也是多種多樣的,從維修的角度看不外乎以 ... [全文]

林肯焊機維修常見故障與維修: 故障1:一臺按控制箱任何開關都沒反應,不能焊接。 按任何開關都沒有反應的機器檢查故障點在電源板上。電源板上-10V電壓沒有輸出,由 于該機器所有開關的信號都需要-10V的電源,電源板上無-10V電源輸出,那么所有板上都無-10V ... [全文]

一、林肯氬弧焊機ASPECT 375焊接電流不穩定,不受控制,時大時 ... [全文]