
添加微信幫助解決機器人故障
首頁 > ABB機器人維修 > ABB機器人保養 > 
ABB機器人IRB140的特點,體積 ... [全文]

ABB機器人IRB6620保養,要注意的幾個相關事項和ABB機器人保養流程: 1、剎車檢查:正常運行前,需檢查電機剎車每個軸的電機剎車,檢查方法如下: (1)運行每個機械手的軸到它負載最大的位置 (2)ABB機器人控制器上的電機模式,選擇開關打到電機關(MOTORS O ... [全文]

ABB機器人的安裝調試的13個步驟 一、安裝ABB機器人 ABB機器人,在安裝工業機器人之前,首先要檢查設備是否缺件,用眼睛觀察機器人是否完好無損。然后安裝控制柜,用叉車或吊車吊裝機器人本體。最后連接機器人本體與控制柜,機器人與控制柜的連接主要是電動機 ... [全文]
ABB機器人機械手的維修 ABB機器人機械手IRB6600/6650保養周期 ABB機器人IRB6600/6650由機械手和控制柜組成,必須有規律地對它們進行維護保養,以確保其正常工作,下表列出了如何對各部分進行ABB機器人保養及各自的維護周期。 維護類型 設備 周期 注意 關鍵詞 ... [全文]

ABB機器人保養的常規方法 一、 是日常保養 1、機器人保養:檢查設備的外表有沒有灰塵附著 2、外部電纜磨損,壓損,各接頭是否固定良好,有無松動 3、冷卻風扇是否正常工作 4、工業機器人保養,各操作按鈕支動作是否正常 5、機器人動作是否正常 二、 三個月保 ... [全文]

工業機器人保養,ABB機器人常規的保養方法如下 1、剎車檢查 ABB機器人保養正常運行前,需檢查電機剎車每個軸的電機剎車檢查方法如下: (1)運行每個機械手的軸到它負載最大的位置。 (2)機器人控制器上的電機模式選擇開關打到電機關(MOTORS OFF)的位置 )。 (3) ... [全文]

機器人保養周期 I類應用環境 應用:搬運、裝配、堆垛、抓取 II類應用環境 應用:弧焊、點焊、鑄造、切割、沖壓、清洗、噴涂 工業及企業保養備件 1).潤滑油脂 2).保養備件包:SMB電池、冷卻風扇、防塵過濾網、接觸器觸點、馬達上電燈、保險絲 ABB機器人本體標 ... [全文]

工業機器人的保養 一、日常保養 1、檢查設備的外表有沒有灰塵附著 2、外部電纜磨損,壓損,各接頭是否固定良好,有無松動 3、冷卻風扇是否正常工作 4、各操作按鈕支動作是否正常 5、機器人動作是否正常 二、三個月保養(包括日常保養) 1、各接線端子是否固 ... [全文]

工業ABB機器人定期保養: 工業機器人定期的保養是能夠讓機器人正常工作運行,也能夠確保操作時人員和設備的安全。 工業機器人保養,每運行4000-10000小時(每2年)需要進行一次全面系統的保養,檢查機器人控制柜和本體是否異常,發現異常需要及時處理,避免 ... [全文]

ABB機器人保養維護,正確規范的機器人保養能夠最大限度保證機器人正常運行,保證高效益產出,從而降低生產成本。因此,工業機器人保養維護是機器人正常使用必不可少的工作。 ABB機器人焊接系統簡單操作及保養指南 1.ABB機器人開啟焊接機器人系統,關閉系統 1 ... [全文]

ABB機器人運行磨合期限為1年,在正常運行1年后,工業機器人需要進行1次預防性保養,更換齒輪箱潤滑油。在此之后,ABB機器人保養正常運行每3年或1000。小時后,必須再進行1次預防性保養,機器人保養有效降低機器人故障率,提高機器人使用壽命。針對在惡劣工況 ... [全文]
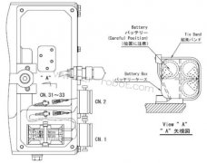
ABB機器人機械手的維修 ABB機器人保養檢查動力電纜的保護殼 ABB機械手的軸1-4的動力電纜分布 A 下臂 B 電纜夾,帶襯盤 C 電纜連接插頭 D 在底部的連接插頭 所需設備 序列號 說明 軸 1-4的保護殼 3HAC14940-1 3HAC16331-1 IRB6600 電纜保護殼 3HAC14140-1 IRB6 ... [全文]